气动衬氟蝶阀
- 销售:021-32051999
- 销售:021-32050777
- 传真:021-66099555
详情介绍
- 产品介绍
- 服务承诺
- 订货流程
气动衬氟蝶阀(亦称耐腐蚀气动蝶阀)是由气动活塞式执行器及四氟密封蝶阀组成。适用于温度≤200℃,有腐蚀性或洁净度有一定要求工况,气动衬氟蝶阀是在过流部件、阀体、蝶板、阀杆上采用衬里技术衬里较厚的高分子材料,防腐蚀性能优良,可适用于任何浓度的酸、碱、盐及氧化剂、还原剂、有机溶剂等介质,气动衬氟蝶阀是化工、石油、医药、食品、钢铁冶炼、造纸、水电等系统的气体、液体、半流体的管路和容器上作截流和调节设备使用的理想产品。全衬聚四氟乙烯(F4)和聚全氟乙丙烯(F46)氟塑料衬里阀,具有耐腐蚀、无泄漏、寿命长等优点。耐腐蚀气动蝶阀适用于浓硫酸、盐酸、硝酸、氢氟酸、王水、各种有机酸、强酸、氧化性介质或高温烯硫酸、高温浓醋酸、酸碱交替及多种有机溶剂和其它强腐蚀性介质。
气动衬氟蝶阀 主要特点
1、体积小、重量轻、操作轻巧、便于安装、维修。
2、密封性能优良可靠、零泄漏,使用寿命长。
3、流量特性趋于直线,调节性能优。
4、结构简单,开关迅速,90°旋转启闭。
5、可代替闸阀、截止阀、旋塞阀、胶管阀及隔膜阀等各种阀门的使用。
6、可根据用户要求配置气动、电动装置,满足遥控和程控的需要。
7、更换零件衬里材质可适用于各种介质。
气动衬氟蝶阀 主要技术参数
阀体
阀体形式 | 直通铸造蝶阀 |
公称通径 | DN50~1000mm |
公称压力 | PN1.0、1.6 MPa |
法兰标准 | JIS B220、JB/T79、ANSI B16.5-1981、GB/T9113、HG20594-97、HG20618-97等 |
连接形式 | 法兰式、对夹式 |
阀盖形式 | 一体式 |
压盖型式 | 压盖压紧式 |
密封填料 | V型聚四氟乙烯填料、柔性石墨填料 |
阀内件
阀板形式 | 垂直板式(蝶形) |
流量特性 | 线性 |
执行机构
执行器型号 | GT系列、ST系列、AT系列、AW系列单双作用气动执行器 |
供气压力 | 400~700KPa |
气源接口 | G1/4"、G1/8"、G3/8"、G1/2" |
环境温度 | -30~+70℃ |
作用形式 | 单作用执行机构:气关式(B)--失气时阀位开(FO);气开式(K)--失气时阀位关(FC) |
可配附件 | 定位器、电磁阀、空气过滤减压器、保位阀、行程开关、阀位传送器、手轮机构等 |
注:如需详细执行器参数,请进入气动执行器页面进行查阅。
气动衬氟蝶阀 主要零件材料
阀体、底座 | 球墨铸钢、铸钢、不锈钢、全衬氟 |
蝶板 | 灰铸铁、球墨铸钢、铸钢、不锈钢及特殊材料、全衬氟 |
密封圈 | 各种橡胶、聚四氟 |
阀杆 | 2Cr13、不锈钢、全衬氟 |
填料 | V型聚四氟乙烯填料、柔性石墨填料 |
气动衬氟蝶阀 主要性能指标
回差 | 带定位器:小于全行程的2% |
基本误差 | 带定位器:小于全行程的±2% |
泄露量l / h | 符合ANSI B16.104 IV级标准 |
可调范围R | 50:1 |
气动衬氟蝶阀 主要性能规范
公称通径DN(mm) | 50-1800 | |||
公称压力 | PN(MPa) | 0.6 | 1.0 | 1.6 |
试验压力 | 强度试验 | 0.9 | 1.5 | 2.4 |
密封试验 | 0.66 | 1.1 | 1.76 | |
低压气密试验 | 0.6 | 0.6 | 0.6 | |
适用介质 | 空气、水、污水、蒸气、煤气、油品等 | |||

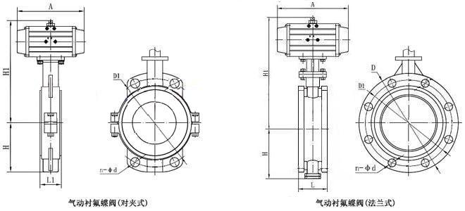
气动衬氟蝶阀 主要外形尺寸
公称通径 DN(mm) | 50 | 65 | 80 | 100 | 125 | 150 | 200 | 250 | 300 | 350 | 400 | 450 | 500 | 600 | 700 | 800 | 900 | 1000 | |
L | 90 | 90 | 100 | 115 | 130 | 140 | 150 | 250 | 270 | 290 | 310 | 330 | 350 | 390 | 430 | 470 | 500 | 550 | |
L1 | 43 | 46 | 49 | 56 | 64 | 70 | 71 | 76 | 83 | 92 | 102 | 113 | 127 | 154 | 165 | 190 | 203 | 216 | |
H | 法兰式 | 63 | 70 | 83 | 105 | 115 | 137 | 164 | 206 | 230 | 248 | 289 | 320 | 343 | 413 | 478 | 525 | 585 | 640 |
对夹式 | 63 | 70 | 83 | 105 | 115 | 137 | 164 | 206 | 230 | 248 | 289 | 320 | 343 | 413 | 478 | 525 | 585 | 640 | |
n-φd | 4-18 | 4-18 | 8-18 | 8-18 | 8-18 | 8-22 | 12-22 | 12-26 | 12-26 | 16-26 | 16-30 | 20-30 | 20-33 | 20-36 | 24-36 | 24-39 | 28-39 | 28-42 | |
H1 | 根据所配执行机构而定 | ||||||||||||||||||
A | 根据阀门所需力矩而定,配置机型不同,外形尺寸也不相同 | ||||||||||||||||||
D | 165 | 185 | 200 | 220 | 250 | 285 | 340 | 405 | 460 | 520 | 580 | 640 | 715 | 840 | 910 | 1025 | 1125 | 1255 | |
D1 | 125 | 145 | 160 | 180 | 210 | 240 | 295 | 355 | 410 | 470 | 525 | 585 | 650 | 770 | 840 | 950 | 1050 | 1170 | |
良好的品质、优良的服务 奇高为你创造更多价值!
“奇高阀门”的期望,不断提升服务质量,精益求精,“真诚的服务”是“奇高”永恒的主题。“奇高”严格按照IS09001-2000 质量体系认证要求,质量严格把关, 责任到人,确保生产、销售、服务的健康运行。加强与用户沟通,竭诚为广大客户提供优良产品,贴心服务。特此我厂做出以下承诺:
产品标准:
产品严格按照中国GB、HG 标准和美国API等标准设计、制造、验收。密封面硬度达到国家规定要求,宽度超过国家标准。
售前服务:
产品介绍,技术交流,非标产品设计,疑难解答。
售中服务:
守信合同,及时供货,随时保持与客户联系。 对特殊或复制的产品,我厂安排技术人员对用户进行产品使用、故障排除
售后服务:
1、“奇高”牌产品品质期为自出厂起12个月,实行“三包”服务(包退、包换、保修)。
2、产品在使用中我厂定期组织技术、质检人员进行访问,征询用户对产品质量、 使用状况、改进意见等方面的反馈, 以便进一步提高产品质量。
3、对用户投诉质量问题,快速作出反应,售后服务人员在24-36小时(省外48小时)赶赴现场。
4、对售后服务,要求用户填写服务后的质量反馈信息表,并作出鉴定意见,以便提高奇高的服务质量。
1、客户如对产品有特殊要求,须在订货合同中提供以下说明:
a、结构长度;
b、连接形式;
c、公称直径、全通径、缩径、管道尺寸;
d、运行介质及温度、压力范围;
e、试验、检验标准及其他要求
2、本厂可根据客户特定要求配置各类驱动装置。
3、如由客户提供确定的阀门类型和型号时,客户应正确说明其型号的含义和要求,在供需双方理解一致的条件下签订合同。
4、期货、订货的客户请先来电函详细告诉所需的阀门型号、规格、数量以及交货时间、地点,并按总的30%预定金或全额货款及时汇入我厂帐户,其余货款待发货前汇入,以便及时安排发货。
订单流程:
1、客户采购清单传真至021-33872143,或来电咨询 021-33872141
2、收到客户采购清单,为客户提供阀门型号选型与报价(价格清单)。
3、具体商定:交货期、特殊要求等事宜。
订货须知:
1、客户如对产品有特殊要求,须在订货合同中提供以下说明:
|
|||||
|
|||||
2、本厂可根据客户特定要求配置各类驱动装置。
|
|||||
3、如由客户提供确定的阀门类型和型号时,客户应正确说明其型号的含义和要求,在供需双方理解一致的条件下签订合同。
|
|||||
4、期货、订货的客户请先来电函详细告诉所需的阀门型号、规格、数量以及交货时间、地点,并按总的30%预定金或全额货款及时汇入我厂账户, 其余货款待发货前汇入,以便及时安排发货。
|
售中服务:
守信合同,及时供货,随时保持与客户联系。
对特殊或复制的产品,我厂安排技术人员对用户进行产品使用、故障排除
售后服务:
1、“奇高”产品品质期为自出厂起12个月,实行“三包”服务(包退、包换、保修)。
2、产品在使用中我厂定期组织技术、质检人员进行访问,征询用户对产品质量、使用状况、改进意见等方面的反馈,
以便进一步提高产品质量。
3、对用户投诉质量问题,快速作出反应,售后服务人员在24-36小时(省外48小时)赶赴现场。
4、对售后服务,要求用户填写服务后的质量反馈信息表,并作出鉴定意见,以便提高“奇高”的服务质量。
声明 |
|